机器人变位机/工作站
您的位置:首页 > 产品中心 > 机器人变位机/工作站 > 变位机1PB250/500/1000
常州乐玩工业机器人有限公司坐落于江苏常州天宁区,专业从事焊接系统的开发与制造、焊接切割技术咨询与服务的专业性高新技术企业。公司资力厚、技术先进,产品远销泰国、越南、菲律宾等东南亚国家和地区。
自有软件专利通过知识体系贯标认证,高新技术企业自主研发团队,可根据客户需求非标定制。获得各项专利30余项。
您可以第一时间了解到乐玩的最新动态,与您分享行业的最热资讯,时刻在为您服务。在焊接通用设备、焊接结构件、工装夹具、焊接自动化设备及控制方面积累了丰富的实践经验。
秉持着“树立一种优质形象:优质服务是生命,客服满意是目的”的经营理念,实施差异化战略,在细分市场发力,为客户提供高品质的工业机器人和智能制造解决方案。乐玩工业机器人一直倾心打造好的品质,竭力追求贴心的服务。
常州乐玩工业机器人有限公司
常州乐玩工业机器人有限公司坐落于江苏常州天宁区,专业从事焊接系统的开发与制造、焊接切割技术咨询与服务的 专业性高新技术企业。公司主要产品有OTC焊接机器人、OTC焊机,焊接机,工装,夹具,检具,非标自动化焊接设备、机器人应用系统等,
发布:2022-08-30 浏览:6022
微信扫码咨询
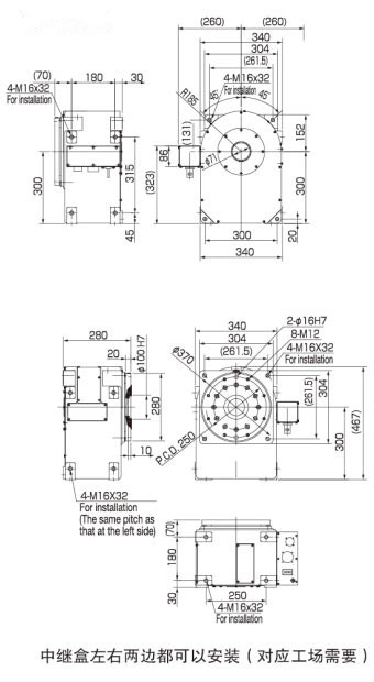
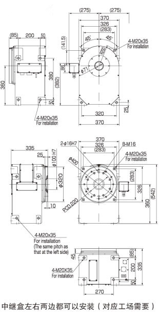
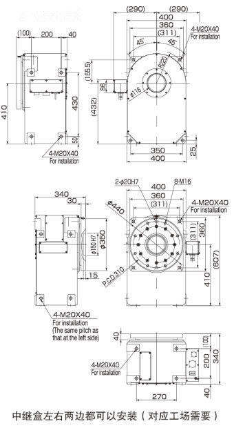
联系我们从最小的25kg到最大的1000kg,中间一共6种机型;可通过机器人的示教盒进行操作,可与机器人同时进行示教工作;采用的是AC伺服马达和无背隙减速机,因此可以得到和机器人同样的高精度;与机器人配套使用时,可以实现协调动作(协调软件选购)。







扫一扫